Арт.: 038356

Профиль ARH-FLOOR27-H28-2000 ANOD (Arlight, Металл)

Распечатать
Поделиться
Общие характеристики
Тип товара
Профиль
Цвет покрытия
Серебристый
Форма (сечение)
Прямоугольный
Назначение
Для пола
Модельный ряд
FLOOR
Материал корпуса
Алюминий
Индивидуальная покраска
Возможна
Гарантийный срок
3 год(а)
Способ монтажа
Встраиваемый без фланца
3 86791 ₽/м

В наличии

Пленочная упаковка (полистирол) 2 м — 7 73582
Пленочная упаковка (полистирол) 2 м 7 73582
Способы получения заказа Способы получения заказа Доставка транспортной компанией Самовывоз
Описание
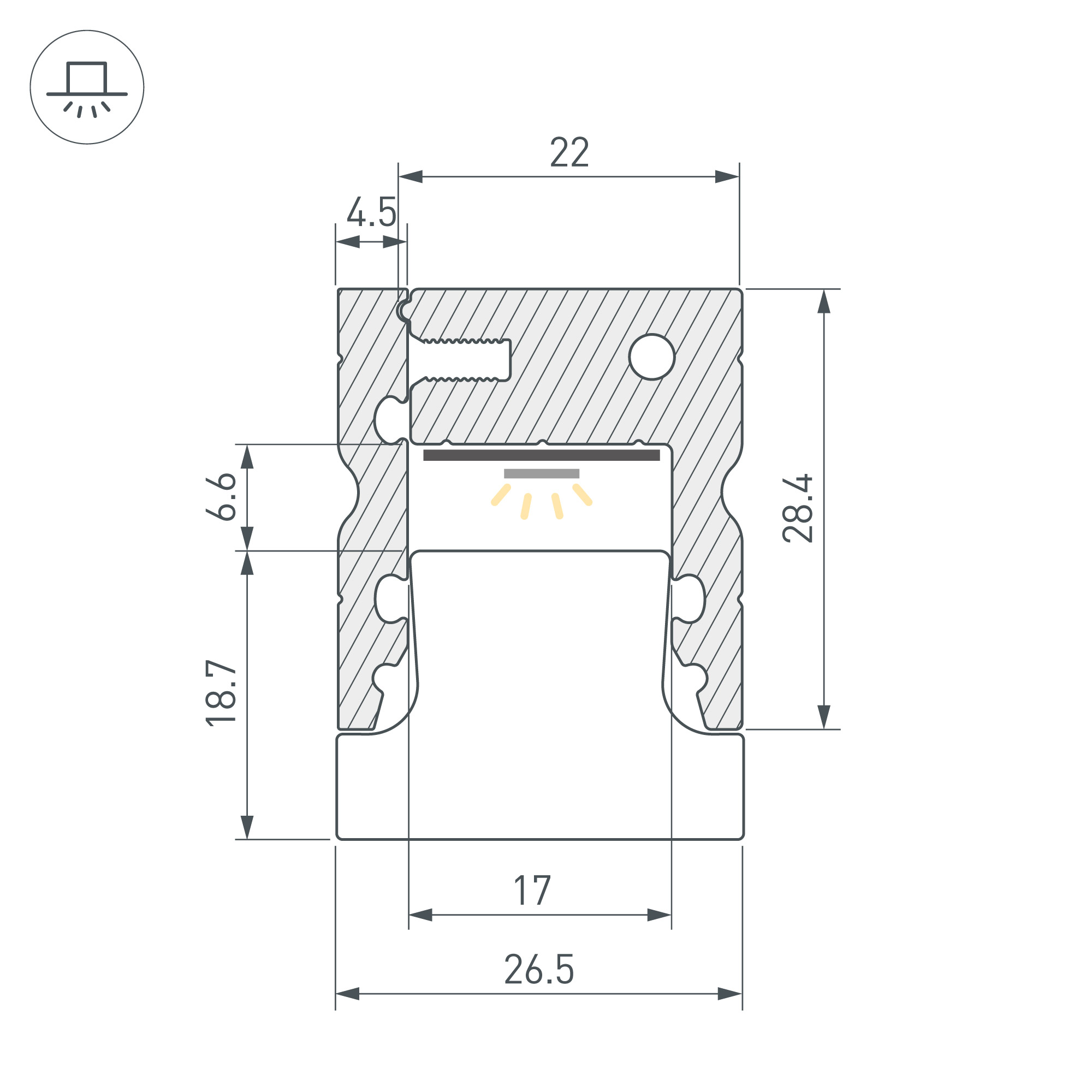
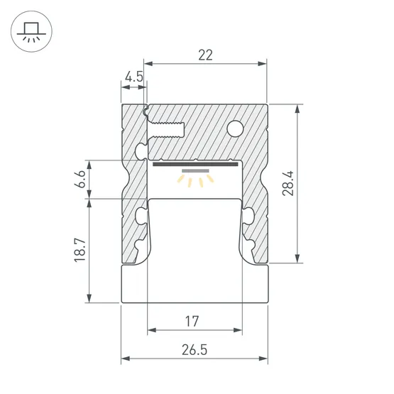
Алюминиевый светотехнический профиль для установки светодиодной ленты или линейки. Цвет серебристый. Длина 2000 мм, размер сечения 26,5х28,4 мм. Устойчив к стандартным нагрузкам для полов, встраиваемый монтаж с помощью держателей или профиля-держателя (приобретаются отдельно). Рассеиваемая тепловая мощность 29,6 Вт/м позволяет подобрать источник света необходимой яркости и температуры свечения и реализовать самые интересные решения. Профиль охлаждает светодиодную ленту, продлевая срок её службы и сохраняя яркость, а также защищает от воздействия пыли, влаги и других внешних факторов. Высококачественное анодированное покрытие защищает профиль от внешних воздействий и коррозии. Светотехнический профиль - отличное решение для создания современных световых проектов.
Видео
Ваш сад в новом свете
23 апреля 2025
Ваш сад в новом свете

Выберите свое ландшафтное освещение.

Характеристики
Алюминиевый анодированный двухкомпонентный профиль. Высокопрочный алюминий. Герметизация до IP67 (при соблюдении технологии герметизации). Габаритные размеры (L×W×H): 2000x26,5x28,4 мм. Ширина площадки для ленты 17мм. В комплекте силиконовая уплотнительная резинка - 7м и шурупы. Заглушки и другие аксессуары приобретаются отдельно. Цена за 1 метр.
Общие
Артикул
038356
Тип товара
Профиль
Цвет покрытия
Серебристый
Форма (сечение)
Прямоугольный
Назначение
Для пола
Модельный ряд
FLOOR
Материал корпуса
Алюминий
Индивидуальная покраска
Возможна
Гарантийный срок
3 год(а)
Способ монтажа
Встраиваемый без фланца
Светотехнические
КПД профиля (cветовой)
94 %
Направление свечения
Вверх
Эксплуатационные
Внешний вид поверхности
Матовая
Покрытие поверхности
Анодирование
Ширина световой линии
26.2 мм
Рассеиваемая тепловая мощность на 1м
max: 29.6 W
Габариты
Длина
2000 мм
Ширина
26.5 мм
Высота
28.4 мм
Ширина площадки
16 мм
Глубина установки источника света
6.7 мм
Другие
Кратность цены за 1 м/шт
1
Модели серии (5)
Страница серии
Item 1 of 5